8 800 555-41-16 Звонок по России бесплатный c 4:00 до 18:00 Мск

Пример программирования токарного станка со стойкой Fanuc Series 0i-tf Plus, для обработки изделия с применением барпуллера БПСР 1-70

Использование барпуллера (вытягивателя прутка) автоматизирует процесс токарной обработки и существенно повышает производительность станка. Наша компания расширила линейку барпуллеров собственного производства. Это модель БПСР.1-70 от InTool.

Данная оснастка изготавливается в России, на базе производственной площадки CNCMAGAZINE.RU в Барнауле.

Штатный инженер-технолог Вячеслав Мертенс (ООО «СиЭнСиЭм Груп») подготовил для читателей блога статью, которая поможет операторам станков с ЧПУ со стойкой «Фанук» написать управляющую программу с использованием механического барпуллера БПСР.1-70.

Барпуллер БПСР 1-70 – простой, надежный и эффективный инструмент автоматизации процесса токарной обработки на станках с ЧПУ, деталей из прутковых заготовок. В статье приводится примеры управляющих программ для обработки детали «Штифт» на токарном станке с осью «С» и без нее.

 

ВНИМАНИЕ! Перед применением барпуллера БПСР 1-70 внимательно изучите инструкцию по эксплуатации.

Прутковая заготовка не должна выступать за габарит станка! Если пруток выходит за задний срез шпинделя, применять специальную стойку с удерживающей трубой!

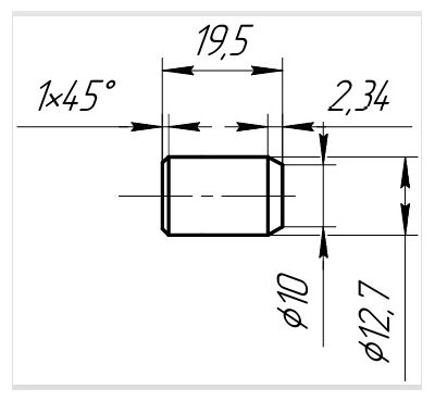
Наша деталь из примера:

Пример управляющей программы использования БПСР 1-70 для токарного станка со стойкой FANUC Series 0i-tf plus без оси «C»

После настройки раствора подвижных роликов, устанавливаем БПСР 1-70 в резцедержку станка, предварительно привязав осевой блок, предназначенный для установки барпуллера по оси «X». Для этого можно использовать любой подходящий для гнезда блока осевой инструмент. Привязка по оси Z производится после монтажа барпуллера и осуществляется относительно торца подвижного ролика. Для того, чтобы станок повторял процесс обработки детали заданное количество раз, необходим вызов подпрограммы. В основном блоке программы содержатся необходимые для этого команды.

%

O1111                            

M98 P1112 L42

M09

M05

G28 U0

G28 W0

M30

%

Пошаговый разбор данного блока УП:

O1111               номер основной программы

M98                  вызов подпрограммы

P1112               номер подпрограммы

L42                   количество повторений вызова подпрограммы

Эта строка осуществляет вызов подпрограммы. До вызова барпуллера, У.П. представляет из себя типичную для стойки FANUC токарную обработку. Эту часть У.П. мы подробно разбирать не будем, а перейдем к программированию перемещений барпуллера.

%

O1112(BPSR1-70)

(KONTUR )

 

T0808 (SVJCR2525M16 )

G99

G54

G50S2000

G96S120M03

G0Z50.

G0 Z1. X16.

M8

G72W0.25R1

G72P10Q11F0.1

N10G0Z0

G1X-0.8

N11G0 Z1.

G00 X16.000

 

G00 X14. Z2.

G71U0.25R0.5

G71P20Q21U0.1W0.05F0.15

N20G0 X10. Z1.

G01 Z0

Z-2.34 X12.7

Z-21.5

N21X14.

G70 P20 Q21

 

G00 Z10

M9

M05

G00

G28U0

G28W0

M1

 

(T0505 OTREZNOI 2)

 

T0505

G54

G99

G00 Z-21.5

G00 X30.

G97S1000M03

X15.

G01 X10.7 F0.03

G00 X12.7

G01 Z-20.5

X10.7 Z-21.5

G01 X-0.8 F0.03

G00 X15.

Z50

G00 X100.

M05

M09

G28 U0

G28 W0

M01

 

 

(T0303 barpuler)

G54                      выбор системы координат

T0303                   вызов инструмента

G00 Z10                подход на ускоренном ходу по оси «Z»

X40                      подход на ускоренном ходу к начальной точке по оси «Х». Выбирается в 

                            зависимости от диаметра прутка с учётом необходимого безопасного              

                            расстояния.                                                                                                

Z-30                     подход на ускоренном ходу к начальной точке по оси «Z»   

G98                      переключение рабочей подачи на мм/мин

G04 P1000            пауза 1 секунду

M19                      ориентация шпинделя 

G04 P1000            пауза 1 секунду

G01 X0 F300.        перемещение барпуллера на рабочем ходу со скоростью 300 мм/мин до значения X0.

 

Во время этого хода, подвижные ролики барпуллера прокатываясь по поверхности прутка, захватывают его.

                                                                                                                                                                           

M21                     разжим патрона                

G04 P2000           пауза

G01 W22.             перемещение барпуллера с захваченным прутком на длину детали с припуском                                 

                           на торцовку и ширину отрезного резца                                                                                                                                                                                                                                                                                                                                                                                                                                                            

M20                     зажатие патрона

G04 P2000            пауза 

G01 X40.              рабочий ход, возврат в точку X40

G0Z100.               ускоренный отход по оси «Z»

G28 U0                 возврат в ноль станка по оси «Х»

G28 W0                возврат в ноль станка по оси «Z»

M01                     условный останов программы

M99                     переход из подпрограммы в основную программу

%

 

Далее, станок отработает блок команд необходимый для безопасного завершения основной программы и последующего повторения цикла обработки.

M09

M05

G28 U0

G28 W0

M30

%

Блок программы, описывающей работу барпуллера на станке с осью «C»

(T0303 barpuler)

 

G54                            выбор системы координат

T0303                         вызов инструмента

G00 Z10                      подход на ускоренном ходу по оси «Z»

X40                             подход на ускоренном ходу к начальной точке по оси «Х». Выбирается в 

                                   зависимости от диаметра прутка с учётом необходимого безопасного              

                                   расстояния.                                                                                                

Z-30                           подход на ускоренном ходу к начальной точке по оси «Z»   

G98                            переключение рабочей подачи на мм/мин

M31                           включение режима работы с осью C

G04 P1000                 пауза 1 секунду

С0                             ориентация шпинделя на требуемый угол. В данном случае 0 градусов

G04 P1000                 пауза 1 секунду

G01 X0 F300.        перемещение барпуллера на рабочем ходу со скоростью 300 мм/мин до значения X0.

 

Во время этого хода, подвижные ролики барпуллера прокатываясь по поверхности прутка, захватывают его.

 

M32 отмена режима работы с осью С

                                                                                                                                                                           

M21                       разжим патрона                

G04 P2000             пауза

G01 W22.              перемещение барпуллера с захваченным прутком на длину детали с припуском  на торцовку и ширину отрезного резца                                                                                                                              

M20                      зажатие патрона

G04 P2000            пауза 

G01 X40.              рабочий ход, возврат в точку X40

G0Z100.               ускоренный отход по оси «Z»

G28 U0                 возврат в ноль станка по оси «Х»

G28 W0                возврат в ноль станка по оси «Z»

M01                      условный останов программы

M99                     переход из подпрограммы в основную программу

%

Далее, станок отработает блок команд необходимый для безопасного завершения основной программы и последующих сорока двух повторений цикла обработки.

Расчет количества повторений подпрограммы

Остановимся более подробно на расчете количества повторений подпрограммы. Длина шпинделя с патроном равна в нашем случае 1000 мм. Складывая необходимые длины, получаем суммарный вылет заготовки из патрона 40 мм, т.е максимальная длина прутка 1040 мм.

Примем эту величину за А. Заготовка должна быть зажата всей длиной кулачка, суммируя длину кулачков 45 мм, и вылет заготовки из патрона 40 мм, получаем 85 мм. Примем эту длину за F. Величина хода барпуллера при вытягивании прутка из патрона, она же длина детали (19,5 мм) + ширина реза (2 мм) + припуск на подторцовку (0,5мм) = 22 мм, примем эту величину за W.

В таком случае количество повторений вызова подпрогаммы Р, расчитывается по формуле:

Р=(А-F-W)/W

Подставляя наши значения, получаем Р = (1040-85-22)/22 = 42.

ВАЖНО! Работая с барпуллером, применяйте компенсационные трубы в шпиндель, для снижения вибраций!

Барпуллер БПСР 1-70 является хорошим инструментом для автоматизации процесса работы на токарных станках. Перед его применением внимательно прочитайте инструкцию по эксплуатации и данную статью. Выполняя рекомендации производителя, вы продляете срок службы своего инструмента!

Пример программы для токарного станка со стойкой Fanuc Series 0I-TF Plus без оси «С»

ВАЖНО! Команды М20, М21, М31, М32 являются станочными и на станках разных производителей могут кодироваться иными М функциями!

Основная программа

%

O1111

( BAR)

M98P1112L42

M05

M09

G28 U0

G28 W0

M30

 

Подпрограмма

%

O1112(BPSR1-70)

 

(KONTUR )

 

T0808 (SVJCR2525M16 )

G99

G54

G50S2000

G96S120M03

G0Z50.

G0 Z1. X16.

M8

G72W0.25R1

G72P10Q11F0.1

N10G0Z0

G1X-0.8

N11G0 Z1.

G00 X16.000

 

G00 X14. Z2.

G71U0.25R0.5

G71P20Q21U0.1W0.05F0.15

N20G0 X10. Z1.

G01 Z0

Z-2.34 X12.7

Z-21.5

N21X14.

G70 P20 Q21

 

G00 Z10

M9

M05

G00

G28U0

G28W0

M1

 

(T0505 OTREZNOI 2)

 

T0505

G54

G99

G00 Z-21.5

G00 X30.

G97S1000M03

X15.

G01 X10.7 F0.03

G00 X12.7

G01 Z-20.5

X10.7 Z-21.5

G01 X-0.8 F0.03

G00 X15.

Z50

G00 X100.

M05

M09

G28 U0

G28 W0

M01

 

(T0303 barpuler)

 

G54

T0303

G00 Z10

X40

Z-30

G98

G04 P1000

M19

G04 P1000

G1 X0 F300.

M21

G04 P2000

G01 W22.

M20

G04 P2000

G01 X40.

G0Z100.

G28 U0

G28 W0

M01

M99

%

Пример программы для токарного станка со стойкой Fanuc Series 0I-TF Plus оснащенного осью С

Ниже пример цикла управляющей программы для стойки «Фанук».

Основная программа

 

%

O1111

( BAR)

M98P1112L42

M05

M09

G28 U0

G28 W0

M30

 

Подпрограмма

%

O1112(BPSR1-70)

 

(KONTUR )

 

T0808 (SVJCR2525M16 )

G99

G54

G50S2000

G96S120M03

G0Z50.

G0 Z1. X16.

M8

G72W0.25R1

G72P10Q11F0.1

N10G0Z0

G1X-0.8

N11G0 Z1.

G00 X16.000

 

G00 X14. Z2.

G71U0.25R0.5

G71P20Q21U0.1W0.05F0.15

N20G0 X10. Z1.

G01 Z0

Z-2.34 X12.7

Z-21.5

N21X14.

G70 P20 Q21

 

G00 Z10

M9

M05

G00

G28U0

G28W0

M1

 

(T0505 OTREZNOI 2)

 

T0505

G54

G99

G00 Z-21.5

G00 X30.

G97S1000M03

X15.

G01 X10.7 F0.03

G00 X12.7

G01 Z-20.5

X10.7 Z-21.5

G01 X-0.8 F0.03

G00 X15.

Z50

G00 X100.

M05

M09

G28 U0

G28 W0

M01

 

(T0303 barpuler)

 

G54

T0303

G00 Z10

X40

Z-30

G98

M31

G04 P1000

C0

G04 P1000

G1 X0 F300.

M32

M21

G04 P2000

G01 W22.

M20

G04 P2000

G01 X40.

G0Z100.

G28 U0

G28 W0

M01

M99

%

Надеемся, данная статья поможет вам при работе с механическим вытягивателем прутка БПСР.1-70 InTool. При возникновении вопросов, вы всегда можете обратиться к нашим техническим специалистам, мы постараемся помочь: sales@cncmagazine.ru.

8-800-555-4116

Интернет-магазин: https://cncmagazine.ru/

Автор статьи: Вячеслав Мертенс, Инженер-технолог "СиЭнСиЭм Груп"

На главнуюСледующая статья

Товары из обзора